Page 1 sur 1
Amortisseur sur Puck
Posté : mar. 21 oct. 2025 18:20
par Papy17
Bonjour
Je suis totalement novice...
Je ne comprends pas comment fonctionne l'amortisseur et le vérin dans le timon de ma Puck (1979)
La tête d'attelage est fixé sur un cylindre par 2 boulons et celui ci

- tete d'attelage
- IMG_1459.jpeg (150.05 Kio) Vu 1736 fois

- cylindre coulissant
- IMG_1458.jpeg (87.76 Kio) Vu 1736 fois

- verin amortisseur
- IMG_1457.jpeg (139.42 Kio) Vu 1736 fois
coulisse dans le timon
Ce cylindre contient l'amortisseur fixé à l’arrière dans le timon par une boulonnerie, traversant le cylindre par une ouverture carrée, et à l'avant par l'un des 2 écrous de la tête d'attelage.
Je m'interroge sur ce montage car cela voudrait dire que la Puck n'est tenue que par le vérin amortisseur !
Ou est ce que je me trompe ?
Merci de votre aide.
Re: Amortisseur sur Puck
Posté : mar. 21 oct. 2025 18:37
par LANDERIBA
Est ce une tête ALKO ou autre ? Y a-t-il une référence ?
Cela permettrait d'en savoir plus et p'tet de trouver un plan éclaté sur le forum ...
JP
Re: Amortisseur sur Puck
Posté : mar. 21 oct. 2025 20:44
par Gino18
Il y a un ,j’ai changé également l’amortisseur, et effectivement ça semble être identique au mien. J’ai remonté à l’identique en prenant le soin de tout nettoyer avant remontage. Et changer les écrous freins de la tête de lapin.
Re: Amortisseur sur Puck
Posté : mar. 21 oct. 2025 21:51
par Papy17
Tout d'abord je vous remercie pour vos réponses rapides !
Pour la référence, voici la photo de la plaque fixée au timon.

- TimonRef.jpg (19.37 Kio) Vu 1697 fois
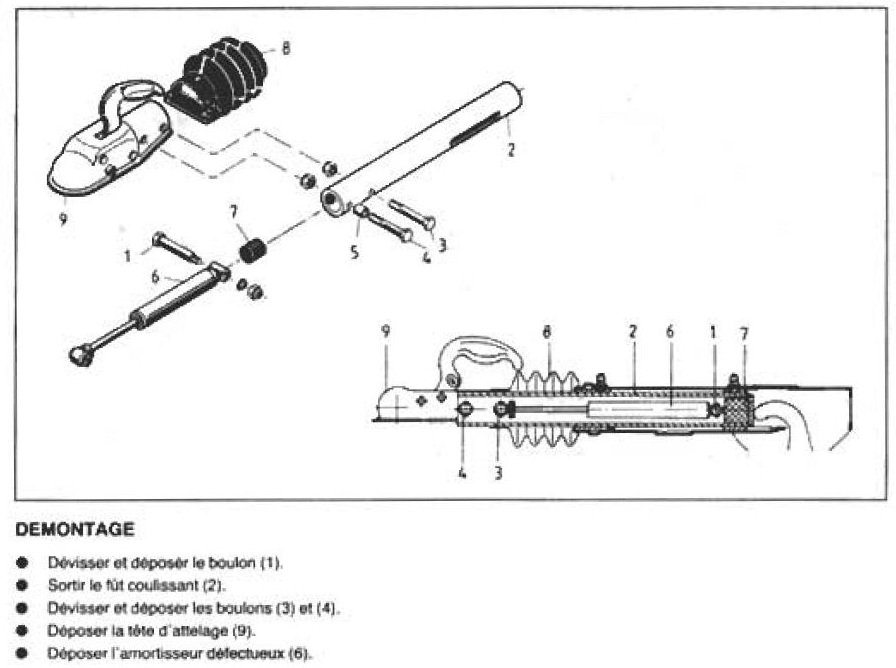
Et voici un éclaté touvé sur le forum. Pas exactement mon modèle mais assez proche je crois.

- amorto1.jpg (67.1 Kio) Vu 1697 fois
J'ai commandé un amortisseur (Bradley 3020), démonté le timon, sorti le fût coulissant qui coulisse dans le timon et dans lequel passe l'amortisseur, et maintenant j'attends la reception du Bradley 3020.
Mon inquiétude en anticipant le remontage : J'ai l'impression que le fut coulissant, sur lequel est fixé la tête d'attelage, n'est retenu au timon que par l'intermédiaire de l'amortisseur. Seul ce dernier resisterait à la traction lorsque l'on roule, accelere... rien d'autre qui garantirait de ne pas voir le fut coulissant se détacher du timon (et donc de la caravane

) lorsque l'on roule.
Ma compréhension est elle bonne ou je m'inquiete pour rien ?
Re: Amortisseur sur Puck
Posté : mer. 22 oct. 2025 14:47
par LANDERIBA
Ce que l'on ne voit pas sur ta photo c'est ça, flèche.

- amorto1.jpg (73.78 Kio) Vu 1657 fois
JP
Re: Amortisseur sur Puck
Posté : mer. 22 oct. 2025 15:38
par Papy17
Sur le schéma il semble y avoir une sorte de fente, ce qu'indique la flèche rouge. Et on peut imaginer un élément fixé au timon qui y coulisserait, sécurisant l'ensemble.
Mais sur le fut coulissant qui équipe mon Eriba je n'ai pas cette fente, il n'y a rien d'autre que les 4 trous pour la tête d'attelage et l'amortisseur.
D'où mon interrogation...
Re: Amortisseur sur Puck
Posté : ven. 24 oct. 2025 10:32
par Gino18
Nous avons le même, et j’ai remonté à l’identique avant de nettoyer, j’ai pas eu de soucis particulier non plus malgré les 900 km ...
Re: Amortisseur sur Puck
Posté : sam. 25 oct. 2025 22:47
par Papy17
Finalement aucun problème de remontage de l’amortisseur, merci au forum.